

MaticFire Smart Wood
Termocamino a legna
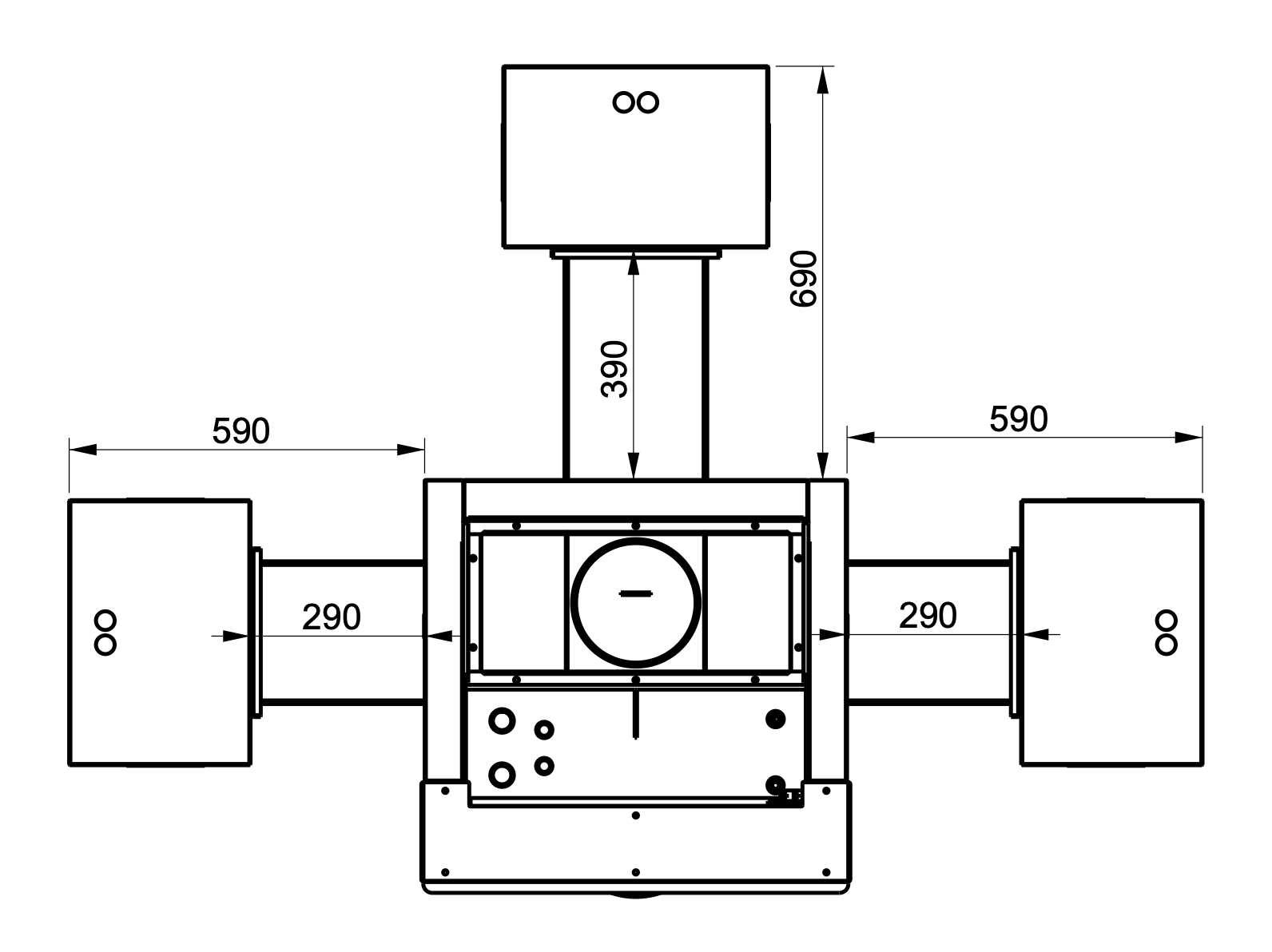
MF20 · MF24 · MF30 · MF34

Sportello ermetico “Total Glass” serigrafato nero con apertura a scomparsa.


MaticFire Smart Wood
Termocamino a legna
MF20 · MF24 · MF30 · MF34


Sportello ermetico “Total Glass” serigrafato nero con apertura a scomparsa.



Tecnologia Wood
MaticFire Smart Wood è il termocamino di nuova generazione progettato per chi non accetta compromessi tra estetica e risparmio energetico.
Grazie alla certificazione ambientale 5 stelle, garantisce emissioni estremamente ridotte e consente l’accesso ai massimi incentivi previsti dal Conto Termico 3.0.

Dotazione di serie
- Sportello ermetico con finitura in vetro serigrafato nero
- Maniglia antiscottatura removibile
- Gestione aria comburente tramite valvola termostatica
- Apertura scorrevole saliscendi e battente
- Super compatto completamente coibentato con lana di vetro
- Camera di combustione in refrattario
- Scambiatore a piastre in acciaio al carbonio
- Sistema di pulizia facilitato
- Valvola giro fumi regolabile ed estraibile
- Centralina con display capacitivo Soft Touch GLH110B
- Serpentina in rame da 14 mm per produzione ACS
- Piedini e ruote per un facile posizionamento
- Predisposizione per serbatoio policombustibile
con possibilità di prolunghe oltre un metro
Centralina GLH110 — di serie su MaticFire Smart Wood

Design pensato per integrarsi perfettamente negli spazi quotidiani, che sceglie la tecnologia capacitiva dell’azionamento Soft Touch e l’eleganza del vetro come elementi distintivi.
Il termoregolatore, disponibile in colore nero o bianco, permette di gestire in maniera completa ed efficace il sistema di riscaldamento in cui è inserito il termocamino.
Gestisce 16 configurazioni di impianto
Tramite i suoi ingressi è possibile rilevare:
- Temperatura di mandata dell’impianto
- Temperatura Boiler/Accumulo sanitario
- Consenso flussostato per prelievo di acqua sanitaria
- Temperatura Puffer
- Temperatura Collettore Solare
- Termostato Ambiente







